首页
Home
关于我们
About
产品中心
Product
新闻中心
News
联系我们
Contact
N2021光电倍增管
2.5" /Head-on type/9-stage
产品应用 Applications
高能物理
High Energy Physics
产品特点 Features
响应快
Fast Response
大脉冲线性
High Pulse Linearity
技术参数 Technical parameter
典型光谱响应曲线
Typical spectral response curve
典型增益曲线
Typical gain curve
典型线性曲线
Typical linear current characteristics
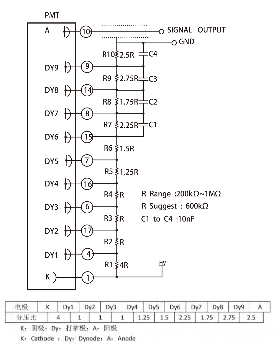
N2021光电倍增管分压比图
N2021 PMT voltage distribution ratio
N2021光电倍增管结构图
N2021 PMT structure
产品手册 Product manual
咨询购买 Consult to buy
立即提交 Submit
SHARE WITH OTHERS
返回列表
上一篇:N4022光电倍增管
下一篇:N2018光电倍增管
做世界一流的夜视技术公司
联系我们
地址:江苏省南京市江宁开发区康平街2号
光电倍增管系列
曹宜起 15150698419 caoyq_570@126.com
李信 15852912010 15852912010@163.com
其他产品
张蓉 13951003003 zr@nvt.com.cn
COPYRIGHT © 北方夜视技术股份有限公司 ALL RIGHTS RESERVED
技术支持:华科互动
光电倍增管电话
其他产品电话