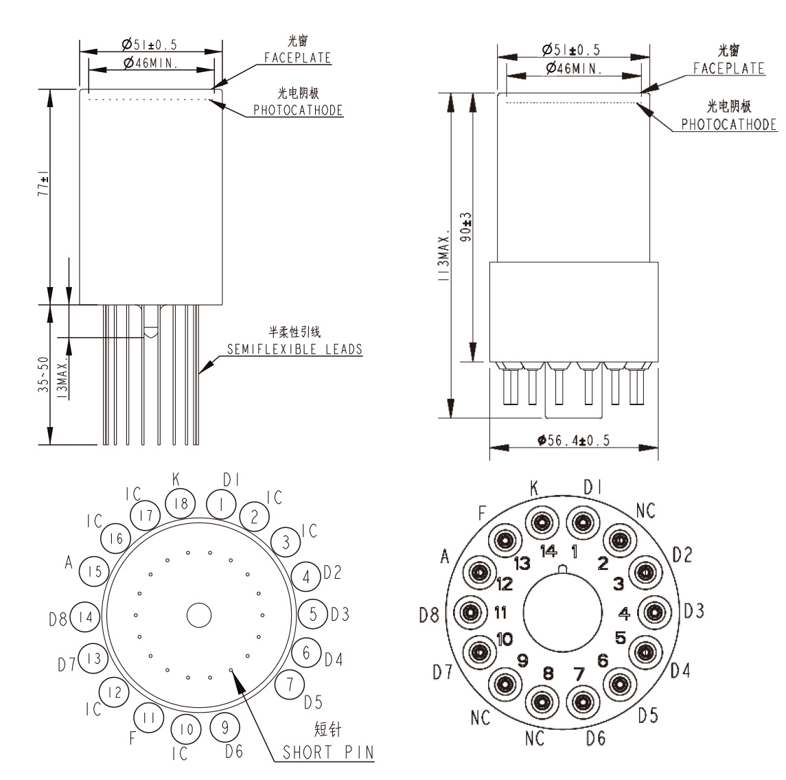
N4022光电倍增管

2" /Head-on type/8-stage

产品应用 Applications
产品特点 Features
技术参数 Technical parameter
产品手册 Product manual
咨询购买 Consult to buy
SHARE WITH OTHERS

做世界一流的夜视技术公司

联系我们
地址:江苏省南京市江宁开发区康平街2号
光电倍增管系列
曹宜起 15150698419 caoyq_570@126.com
李信 15852912010 15852912010@163.com
其他产品
张蓉 13951003003 zr@nvt.com.cn
COPYRIGHT © 北方夜视技术股份有限公司 ALL RIGHTS RESERVED 技术支持:华科互动
光电倍增管电话 其他产品电话